CD-800

From RadioNerds
Jump to navigation Jump to search

A general purpose cable assembly used to connect Test Set TS-23~APN to Radio Receiver and Transmitter BC-788-A. It also connects Alignment Test Set I-231 to Radio Transmitter BC-1212 or to Radio Receiver BC-1213.

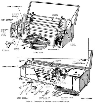
AS-19B.TRC-1.jpg

Components

  • 2 Plugs PL-259 or PL-259-A.
  • 1 Cable WC-549, RG-31/U, or RG-8/U
  • Major Unit: 1 CD-800